Description
Description
The Thru-Hull Fitting #THRU2S is your reliable companion for boat maintenance, crafted with precision and care. Made from high-quality stainless steel, this fitting is designed to endure the harsh marine environment, ensuring durability and reliability. It's perfect for those looking to upgrade or replace their current thru-hull fittings without hassle.
Features & Benefits
- Durable stainless steel construction
- Corrosion-resistant for long-lasting use
- Compatible with various marine applications
Constructed from durable stainless steel, this fitting is designed to withstand the corrosive nature of marine environments, ensuring a long service life. It features a G2 thread size and is compatible with NPTM fittings, making it versatile for different setups. Ideal for both new installations and replacements, this fitting provides a secure and reliable connection for your vessel's plumbing needs.
Technical Information
Technical Information
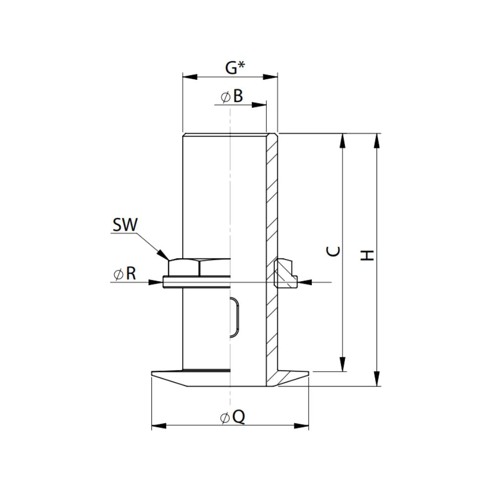
| Description | Imperial | Metric |
|---|---|---|
| Thread (G) | 2.00 in. | 50.00 mm. |
| ØB | 2.00 in. | 52.00 mm. |
| H | 4 2/7 in. | 109.00 mm. |
| C | 4.00 in. | 101.00 mm. |
| ØQ | 3 1/2 in. | 88.00 mm. |
| ØR | 3 1/2 in. | 88.00 mm. |
| SW | 3.00 in. | 74.00 mm. |
| Weight | 1.98 lb. | 0.90 kg. |

