DESCRIPTION
DESCRIPTION
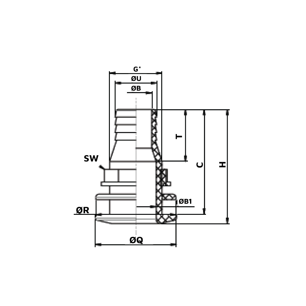
Hose fittings made of corrosion-resistant plastic for a variety of tank systems.
Our Part # VTSDOORN112 | Vetus Part # DOORN11/2
TECHNICAL INFORMATION
TECHNICAL INFORMATION
| Description | Imperial | Metric |
|---|---|---|
| Thread (G) | 1 1/2 in. | 38.10 mm. |
| ØB | 1 1/7 in. | 29.00 mm. |
| ØB1 | 1 1/2 in. | 37.00 mm. |
| H | 4.00 in. | 104.00 mm. |
| C | 3 7/9 in. | 96.00 mm. |
| ØQ | 3.00 in. | 74.00 mm. |
| ØR | 2 7/8 in. | 73.00 mm. |
| SW | 2 1/8 in. | 54.00 mm. |
| T | 1 6/7 in. | 47.00 mm. |
| ØU | 1 1/2 in. | 38.00 mm. |
| Weight | 0.17 lb. | 0.08 kg. |

