Description
Description
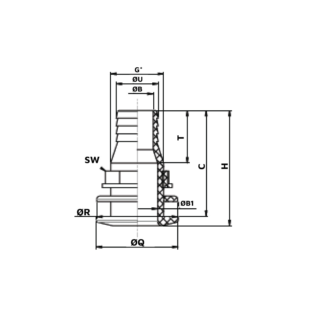
Hose fittings made of corrosion-resistant plastic for a variety of tank systems.
Our Part # VTSDOORN58 | Vetus Part # DOORN5/8
Technical Information
Technical Information
| Description | Imperial | Metric |
|---|---|---|
| Thread (G) | 1/2 in. | 12.00 mm. |
| ØB | 2/5 in. | 10.00 mm. |
| ØB1 | 5/8 in. | 16.00 mm. |
| H | 3.00 in. | 76.00 mm. |
| C | 2 4/5 in. | 71.00 mm. |
| ØQ | 1 2/3 in. | 42.00 mm. |
| ØR | 1 3/5 in. | 41.00 mm. |
| SW | 1.00 in. | 24.00 mm. |
| T | 1 1/7 in. | 29.00 mm. |
| ØU | 5/8 in. | 16.00 mm. |
| Weight | 0.04 lb. | 0.02 kg. |

